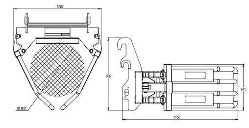
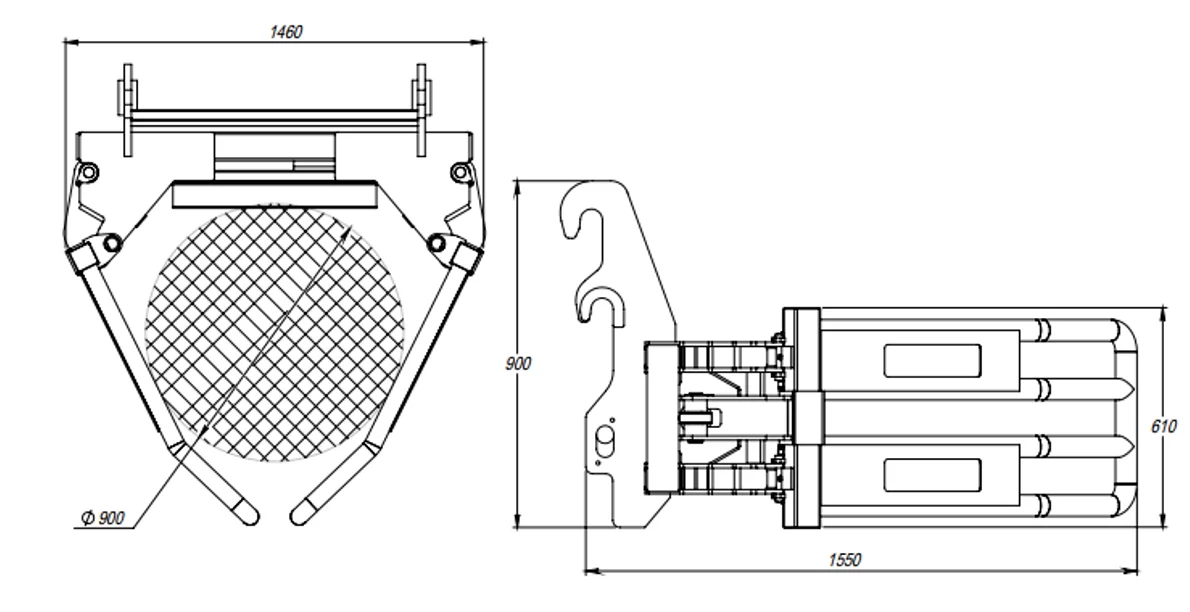
Захват для рулонов для телескопического погрузчика AgriMaster (Dieci)

Наверх